電磁流量計是***常見的測量儀器,在很多領域都有廣泛的應用,所有的儀器在使用的過程中難免會有故障發生,當然智能電磁流量計也不例外,儀器的故障直接影響著測量的精準度,在測量時發生故障的原因是多種多樣的,下面就來為大家詳細介紹一下智能電磁流量計常出現的故障分析及排除辦法。
智能電磁流量計在運行中產生的故障有兩種:
1、流量計本身故障,即儀表結構件或元器件損壞引起的故障。
2、由外部原因引起的故障,如安裝不妥流動畸變、沉積和結垢等。
一、智能電磁流量計無流量信號輸出
1、原因分析
(1)儀表供電不正常;
(2)電纜連接不正常;
(3)液體流動狀況不符合安裝要求;
(4)傳感器零部件損壞或測量內壁有附著層;
(5)轉換器元器件損壞。
2、解決方案
(1)確認已接入電源,檢查電源線路板輸出各路電壓是否正常,或嘗試置換整個電源線路板,判別其好壞。
(2)檢查電纜是否完好,連接是否正確。
(3)檢查液體流動方向和管內液體是否充滿。對于能正反向測量的電磁流量計,若方向不一致雖可測量,但設定的顯示流量正反方向不符,必須改正。若拆傳感器工作量大,也可改變傳感器上的箭頭方向和重新設定顯示儀表符號。管道未流滿液體主要是傳感器安裝位置不妥引起的,應在安裝時采取措施,避免造成管道內液體不滿管。
(4)檢查變送器內壁電極是否覆蓋有液體結疤層,對于容易結疤的測量液體,要定期進行清理。
(5)若判斷為是轉換器元器件損壞引起的故障,更換損壞的元器件即可。
二、輸出值有波動
1. 原因分析
造成此類故障大多是由測量介質或外界環境的影響造成的,在外界干擾排除后故障可自行消除。為保證測量的準確性,此類故障也不可忽視。在有些生產環境中,由于測量管道或液體的震動大,會造成流量計的電路板松動,也可引起輸出值的波動。
2、解決方案
(1)確認是否為工藝操作原因,流體確實發生脈動,此時流量計僅如實反映流動狀況,脈動結束后故障可自行消除;
(2)外界雜散電流等產生的電磁干擾。檢查儀表運行環境是否有大型電器或電焊機在工作,要確認儀表接地和運行環境良好;
(3)管道未充滿液體或液體中含有氣泡時,兩者皆為工藝原因引起的。此時可請求工藝人員確認,待液體滿管或氣泡平復后,輸出值可恢復正常;
(4)變送器電路板為插件結構,由于現場測量管道或液體震動大,常會造成流量計的電源板松動。如松動,可將流量計拆卸開,重新固定好電路板;
三、智能電磁流量計測量值與實際值不符
1、原因分析
(1)變送器電路板是否完好;
(2)當液體流速過低時,被測液體中含有微小氣泡,氣泡上升在管道上方逐漸聚集,則液體流通面積發生變化,氣體多時還會產生干擾信號,影響測量準確度;
(3)信號電纜出現連接不好現象或使用過程中電纜的絕緣性能下降引起測量不準確;(4)轉換器的參數設定值不準確;
2、解決方案
(1)檢查變送器電路板是否完好。若接線盒進水或被腐蝕性被測液體腐蝕,可導致電器性能下降或損壞。此時應更換電路板;
(2)保證管道內被測液體的流速在較低流量界限值之上,以使變送器能夠正常工作;
(3)檢查信號電纜連接和電纜的絕緣性能是否完好,若出現信號電纜松動現象,將其重新連接即可;若檢查到電纜的絕緣性不符合絕緣要求,則需要換新的電纜;
(4)重新對轉換器設定值進行設定,并對轉換器的零點、滿度值進行校驗; 四、智能電磁流量計輸出信號超滿度量程
1、原因分析
(1)信號電纜接線出現錯誤或電纜連接斷開;
(2)轉換器的參數設定不正確;
(3)轉換器與傳感器型號不配套;
2、解決方案
(1)檢查信號回路連接正常與否,若信號回路斷開,輸出信號將超滿度值,此時需重新正確連接信號電纜。同時,需檢查電纜的絕緣性能是否完好,若已經不符合要求,則需更換新的電纜;
(2)詳細檢查轉換器的各參數設定和零點、滿度是否符合要求;
(3)檢查到轉換器與傳感器的型號不配套,則需要與金湖天信儀表有限公司聯系調換;
|
一、概 述
智能電磁流量計由傳感器和轉換器兩部分構成。它是基于法拉第電磁感應定律工作的,用來測量電導率大于5μS/cm導電液體的體積流量,是一種測量導電介質體積流量的感應式儀表。除可測量一般導電液體的體積流量外,還可用于測量強酸強堿等強腐蝕液體和泥漿、礦漿、紙漿等均勻的液固兩相懸浮液體的體積流量。廣泛應用于石油、化工、冶金、輕紡、造紙、環保、食品等工業部門及市政管理,水利建設、河流疏浚等領域的流量計量。
二、工作原理
根據法拉第電磁感應原理,在與測量管軸線和磁力線相垂直的管壁上安裝了一對檢測電極,當導電液體沿測量管軸線運動時,導電液體切割磁力線產生感應電勢,此感應電勢由兩個檢測電極檢出,數值大小與流量成正比例,其值為:
E=KBVD
式中:
E-感應電勢;
K-與磁場分布及軸向長度有關的系數;
B-磁感應強度;
V-導電液體平均流速;
D-電極間距;(測量管內直徑)
傳感器將感應電勢E作為流量信號,傳送到轉換器,經放大,變換濾波用一系列的數字處理后,用帶背光的點陣式液晶顯示瞬時流量和累積流量。轉換器有4~20mA輸出,報警輸出及頻率輸出,并設有RS-485等通訊接口,并支持HART和MODBUS協議。
三、儀表特點
■全數字量處理,抗干擾能力強,測量可靠,精度高、流量測量范圍可達150:1;
■超低EMI開關電源,適用電源電壓變化范圍大,抗EMI性能好;
■采用16位嵌入式微處理器,運算速度快,精度高,可編程頻率低頻矩形波勵磁,提高了流量測量的
穩定性,功耗低;
■采用SMD器件和表面貼裝(SMT)技術,電路可靠性高;
■管道內無可動部件,無阻流部件,測量中幾乎沒有附加壓力損失;
■在現場可根據用戶實際需要在線修改量程;
■測量結果與流速分布,流體壓力,溫度、密度、粘度等物理參數無關;
■高清晰度背光LCD顯示,全中文菜單操作,使用方便,操作簡單,易學易懂;
■具有RS485、RS232、Hart和Modbus等數字通訊信號輸出;(選配)
■具有自檢與自診斷功能;
■小時總量計錄功能,以小時為單位記錄流量總量,適用于分時計量制(選配);
■內部具有三個積算器可分別顯示正向累積量反向累積量及差值積算量,內部設有不掉電時鐘,可記
錄16次掉電時間。(選配);
■紅外手持操作器,115KHZ通訊速率,遠距離非接觸操作轉換器所有功能(選配)。
如何正確選型:
儀表的選型是儀表應用中非常重要的工作,有關資料表明,儀表在實際應用中有2/3的故障是儀表的錯誤選型或錯誤的安裝而造成的,請特別注意。
◆收集數據
1.被測流體成份
2.***大流量、***小流量
3.***高工作壓力
4.***高溫度、較低溫度
◆被測流體必須具備一定的導電性,導電率>5μS/CM
***大流量和***小流量必須符合下表中的數
|
口 徑
(mm)
|
流量范圍
(m3/h)
|
口 徑
(mm)
|
流量范圍
(m3/h)
|
|
φ15 |
0.0636~6.36 |
φ450 |
57.23~5722.65 |
|
φ20 |
0.11~11.30 |
φ500 |
70.65~7065.00 |
|
φ25 |
0.18~17.66 |
φ600 |
101.74~10173.6 |
|
φ40 |
0.45~45.22 |
φ700 |
138.47~13847.4 |
|
φ50 |
0.71~70.65 |
φ800 |
180.86~18086.4 |
|
φ65 |
1.19~119.4 |
φ900 |
228.91~22890.6 |
|
φ80 |
1.81~180.86 |
φ1000 |
406.94~40694.4 |
|
φ100 |
2.83~282.60 |
φ1200 |
553.90~55389.6 |
|
φ150 |
6.36~635.85 |
φ1600 |
723.46~72345.6 |
|
φ200 |
11.3~1130.4 |
φ1800 |
915.62~91562.4 |
|
φ250 |
17.66~176.25. |
φ2000 |
1130.4~113040.00 |
|
φ300 |
25.43~2543.40 |
φ2200 |
1367.78~136778.4 |
|
φ350 |
34.62~3461.85 |
φ2400 |
1627.78~162777.6 |
|
φ400 |
45.22~4521.6 |
φ2600 |
1910.38~191037.6 |
◆實際***高工作壓力必須小于流量計的額定工作壓力。 ◆***高工作溫度和較低溫度必須符合流量計規定的溫度要求。 ◆確定是否有負壓情況存在。 您可以根據上表中的流量選擇相應的電磁流量計,若所選擇的電磁流量計的內徑與現在工藝管道的內徑不符,應進行縮管或擴管。 ◆若管道進行縮管,應考慮由于縮管引起的壓力損失是否會影響工藝流程。 ◆從產品價格考慮,可以選擇較小口徑的電磁流量計,相對減少投資。 ◆測潔凈水時,經濟流速時1.5-3m/s,測易結晶的溶液時,應適當地提高流速,3-4m/s為宜,起到自清掃,防止粘附沉積等作用;測礦漿等磨耗性流體時,應適當降低流速,1.0-2m/s為宜,以降低對內襯和電極地磨損。實際應用很少超過7m/s,超過10m/s則更為罕見。
智能電磁流量計型譜
|
HD-LDE
|
15~2600
|
|
|
|
代號
|
電極材料
|
|
|
K1
|
316L
|
|
K2
|
HB
|
|
K3
|
HC
|
|
K4
|
鈦
|
|
K5
|
鉭
|
|
K6
|
鉑合金
|
|
K7
|
不銹鋼涂覆碳化鎢
|
|
|
代號
|
內襯材料
|
|
|
C1
|
聚四氟乙烯(F4)
|
|
C2
|
聚全氟乙丙烯(F46)
|
|
C3
|
聚氟合乙烯(FS)
|
|
C4
|
聚錄丁橡膠
|
|
C5
|
聚氨脂橡膠
|
|
|
代號
|
功能
|
|
E1
|
0.3級
|
|
E2
|
0.5級
|
|
E3
|
1級
|
|
F1
|
4-20Madc,負載≤750Ω
|
|
F2
|
0-3khz,5v有源,可變脈寬,輸出有效頻率
|
|
F3
|
RS485接口
|
|
T1
|
常溫型
|
|
T2
|
高溫型
|
|
T3
|
超高溫型
|
|
P1
|
1.0MPa
|
|
P2
|
1.6MPa
|
|
P3
|
4.0MPa
|
|
P4
|
16MPa
|
|
D1
|
220VAC±10%
|
|
D2
|
24VDC±10%
|
|
J1
|
一體型結構
|
|
J2
|
分體型結構
|
|
J3
|
防爆一體型結構
|
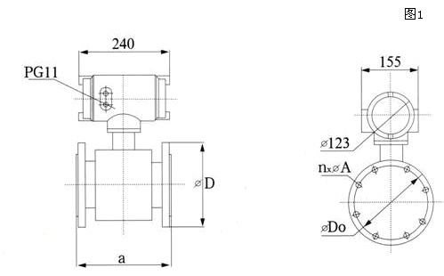
襯里材料的確定:請參照表4  2.選型說明 電極、接地環材料的確定:請參照表5  若不能確定選用何種襯里材料及電極材料請參照“電極和襯里耐腐蝕材料一覽表” 1.流量計外形尺寸   2.分體型轉換器安裝尺寸 
電磁流量計的正確接線
①勵磁電纜可選用YZ中型橡套電纜,其長度與信號電纜一樣
②信號電纜和其他動力電源電纜必須嚴格分開,不能敷設在同一根管子內,不能平行敷設,不能絞合在一起,應分別單獨穿在鋼管內。 ③信號電纜和勵磁電纜盡可能短,不能將多余的電纜卷在一起,應將多余電纜剪掉,并重新焊接頭,電纜進入傳感器電氣接口時,在端口處做成U型,這樣可以防止雨水滲透到傳感器中。 ④分體型電磁流量計勵磁電纜和轉換器之間的連接用專用接線完成,轉換器和外部的連接同一體型電磁流量計。
一體型電磁流量計的接線:
①勵磁電纜可選用YZ中型橡套電纜,其長度與信號電纜一樣
②信號電纜和其他動力電源電纜必須嚴格分開,不能敷設在同一根管子內,不能平行敷設,不能絞合在一起,應分別單獨穿在鋼管內。 ③信號電纜和勵磁電纜盡可能短,不能將多余的電纜卷在一起,應將多余電纜剪掉,并重新焊接頭,電纜進入傳感器電氣接口時,在端口處做成U型,這樣可以防止雨水滲透到傳感器中。 ④分體型電磁流量計勵磁電纜和轉換器之間的連接用專用接線完成,轉換器和外部的連接同一體型電磁流量計。
分體型電磁流量計的接線:
◆測量精度不受流體密度、粘度、溫度、壓力和電導率變化的影響,傳感器感應電壓信號與平均流速呈線性關系,因此測量精度高。
◆測量管道內無阻流件,因此沒有附加的壓力損失;測量管道內無可動部件,因此傳感器壽命極長。
◆由于感應電壓信號是在整個充滿磁場的空間中形成的,是管道載面上的平均值,因此傳感器所需的直管段較短,長度為5倍的管道直徑。
◆傳感器部分只有內襯和電極與被測液體接觸,只要合理選擇電極和內襯材料,即可耐腐蝕和耐磨損。
◆LDE轉換器采用國際***新***先進的單片機(MCU)和表面貼裝技術(SMT),性能可靠,精度高,功耗低,零點穩定,參數設定方便。點擊中文顯示LCD,顯示累積流量,瞬時流量、流速、流量百分比等。
◆雙向測量系統,可測正向流量、反向流量。采用特殊的生產工藝和優質材料,確保產品的性能在長時候內保持穩定。
如何在管道上安裝:
應安裝在水平管道較低處和垂直向上處,避免安裝在管道的***高點和垂直向下處;
應安裝在管道上上升處;

在開口排放管道安裝,應安裝在管道的較低處;

若管道落差超過5m時,在傳感器的下游安裝排氣閥;

應在傳感器的下游安裝控制閥和切斷閥,而不應安裝在傳感器上游;

傳感器不能安裝在泵的進出口處,應安裝在泵的出口處;

在測量井內安裝流量計的方式
1、入口 2、溢流管 3、入口柵 4、清洗孔
如何正確選擇安裝節點:
正確地選擇安裝點和正確安裝流量計都是非常重要的環節,若在安裝環節失誤,輕者影響測量精度,重者會影響流量計的使用壽命,甚至會損壞流量計。
選擇安裝位置時需特別注意:
·非測量電極的軸線必須近似于水平方向;
·測量管道內必須完全充滿液體;

·流量計前方***少要有5* D(D為流量計內徑)長度的直管段,后方***少要有3* D(D為流量計內徑)長度的直管段;
· 流體的流動方向和流量計的箭頭方向一致;
·管道內要有真空會損壞流量計的內襯,需特別注意;
·在流量計附近應無強電磁場;
·在流量計附近應有充裕的空間,以便安裝和維護;
·若測量管道有振動,在流量計的兩邊應有固定的支座測量不同介質的混合液體時混合點與流量計之間的距離***少要有30×D(D為流量計內徑)長度為方便今后流量計的清洗和維護,應安裝旁通管道;
|
五、零點不穩
1、原因分析
(1)管道未充滿液體或液體中含有氣泡;
(2)主觀上認為管泵液體無流動而實際上存在微小流動。
(3)液體方面(如液體電導率均勻性不好、電極污染等)的原因;
(4)信號回路絕緣下降;
2、解決方案
(1)管道未充滿液體或液體中含有氣泡皆為工藝原因,此時應請求工藝人員確認,工藝正常后,輸出值可恢復正常;
(2)管道內有微量流動,這不是電磁流量計故障。
(3)若雜質沉積測量管內壁或在測量管內壁結垢,或電極被污染,均有可能出現零點變動,此時必須清洗;若零點變動不大,也可嘗試重新調零;
(4)由于受環境條件的影響,灰塵、油污等可能進入表殼體內,因此,需要檢查電極部位絕緣是否下降或破壞,若不符合絕緣要求,則必須進行清理;