數碼流量積算儀
HY-LK80/LKS80系列氣體流量積算儀,智能流量積算儀,溫壓補償流量積算儀采用跳線技術,使每臺儀表僅通過簡單快捷的設置,即可適配各種分度號,更進一步提高適用性與可造性;流量系數K的自動演算具有多種輸入信號功能,可配接各種差壓、壓力及頻率式流量傳感器(如渦街、渦輪、孔板等),可自由選擇多種補償方式(如溫度、壓力補償等);流量積算控制儀具有極寬的顯示測量范圍,可切換顯示溫度補償測量值、壓力補償值、流量(差壓、頻率)測量值等,及十二位的流量積累測量值(0~99999999999字),可到小數點后三位進行累積,可設定儀表內部參數使***大累積達到99999999999.99×100;采用查表法進行密度補償,可全自動對過熱蒸汽進行精度極高的積算控制;儀表表面增加了一組LED發光二極管狀態指示,每一發光二極管對應一種狀態,用以指明對應顯示值的工程含義,方便用戶觀測!

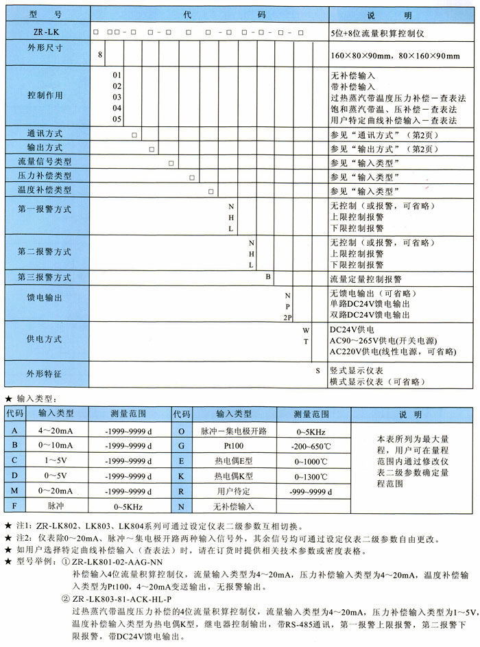
LK80系列溫壓補償流量積算儀可以與多種流量計配套使用,可以通過調整參數來接受多種信號,可以同時顯示瞬時 累計 溫度 壓力 報警 等多種功能。
一、LK80系列溫壓補償流量積算儀概述
新一代可編程自動補償流量積算控制儀,適用于各種液體、蒸汽、天然氣、一般氣體等的測量。已廣泛的應用于生物、石油、化工、電力、醫藥、食品、能源管理、航空航天、機械制造等行業的流量計算控制。
采用單片微處理器控制,使儀表的系統穩定性、可靠性及安全性等都大為提高。
具有多種輸入信號功能,可配接各種差壓流量傳感器、壓力流量傳感器以及各種頻率式流量傳感器等(如渦街、渦輪、孔板等)
采用先進的微機技術,可滿足各種不同的一次儀表要求的補償方式。
編程簡單,容易掌握,功能齊全,通用性好,能進行壓力、溫度的自動補償。
各通道輸入信號類型可通過內部參數設定自由更改。
可直接配接串行微型打印機,以實現瞬時流量測量值、累積流量值、流量(差壓、頻率)輸入值、壓力補償輸入值、溫度補償輸入值的即時打印和定時打印。
具有極寬的顯示范圍,可顯示整四位瞬時流量測量值(0-9999字),可顯示整八位流量累積測量值(0-99999999字),可到小數點后三位(0.001)進行累積。
采用查表法進行積算,可全自動對過熱蒸汽、飽和蒸汽等進行精度極高的積算控制。
二、LK80系列溫壓補償流量積算儀功能:
可對質量流量自動進行計算和累積
可對標準體積流量自動進行計算和累積
可同時顯示瞬時流量測量值及流量累積值
可切換顯示瞬時流量測量值、流量(差壓、頻率)測量值、差壓測量值、壓力值、溫度值及頻率測量值。
可設定流量小信號切除功能(瞬時流量小于設定值時流量不累積)
可自動進行溫度、壓力補償。

HY-LK80系列氣體流量積算儀,智能流量積算儀外形尺寸及接線圖:
| 積算儀型號 | 流量積算儀接線圖 |
|
HY-LK80(橫式) 外表尺寸:160*80*90mm 開孔尺寸:152*76mm
|
![]() |
|
HY-LKS80(豎式) 外表尺寸:80*160*90mm 開孔尺寸:76*152mm |
HY-LK80系列氣體流量積算儀,智能流量積算儀 選型表:

