硫酸液位計
防腐型磁翻板液位計(濃硫酸液位計)的比較顯著特點是液體介質與指示器完全隔離,所以在任何情況下都非常安全、可靠、耐用、而且各種型號的液位計配上液位報警、控制開關,可實現液位或界位的上、下限越位報警、控制或聯鎖,配上靜壓式液位變送器或干簧-電阻式液位變送器,可將液位、界位信號轉換成二線制4-20mADC標準信號,實現遠距離指示、檢測、記錄與控制。適用于腐蝕性介質且工作溫度又較高場合的液位測量,結構可靠,使用壽命長。是硫酸等強腐蝕性介質液位測量的比較好的選擇。為客戶量身定制,對溫度和壓力要求不高的可以使用本公司的PP材質的液位計。

廠家價格:
| 價格 | ¥ 850.00~78000.00元 |
| 起批量 | ≥1 臺 |
規格參數:
| 加工定制 | 是 | 品牌 | 華云 | 型號 | EFQ磁翻板液位計 |
| 測量范圍 | 0~15米(可選) | 測量精度 | ±5mm | 測量管材質 | 304/316L/PP/PTFE |
| 適用范圍 | 所有液體液位測量 | 工作壓力 | ≤4.0MPa | 輸出信號 | 4~20mA |
| 工作溫度 | ≤200度 |
用戶可根據工程需要,配合遠傳變送器使用,可實現就地數字顯示,以及輸出4~20mA的標準遠傳電信號 ,以配合記錄儀表,或工業過程控制的需要。也可以配合磁性控制開關或接近開關等使用,對液位監控報警或對進液出液設備進行控制。
硫酸槽液位計采用不銹鋼本體內襯聚丙烯(PP)和聚四氟乙烯(PTFE)工藝,有很高的結構強度和耐腐蝕性,可適用于鹽酸等酸性液體、堿性液體和有機溶劑。但不適合濃縮硝酸、含氯溶劑、芳香劑、脂肪族等介質液體的測量。側裝式內襯防腐磁翻板液位計有不銹鋼主體內襯聚四氟乙烯(PTFE)和不銹鋼內襯聚丙烯(PP)兩種,適合腐蝕性介質的測量。側裝式內襯型磁翻板液位計(PTFE)適用于腐蝕性介質且工作溫度又較高場合的液位測量,采用先進的不銹鋼內襯聚四氟乙烯拉伸翻邊新工藝,結構可靠,使用壽命長。是氫氟酸等強腐蝕性介質液位測量的***佳選擇。
硫酸槽液位計適用于鹽酸、稀硫酸等無機類腐蝕性液體的測量,由于采用進口高強度可與金屬接近,尤其是PPR 獨特的保溫性,合該產品適用于室外水箱液位測量,遇冬季內部不會結冰.但不如襯PTFE型耐溫及耐壓性能好,溫度及壓力較低時選用此產品性價比較高。用戶可根據工程需要,配合遠傳變送器使用,可實現就地數字顯示,以及輸出4~20mA的標準遠傳電信號,以配合記錄儀表,或工業過程控制的需要。也可以配合磁性控制開關或接近開關等使用,對液位監控報警或對進液出液設備進行控制。
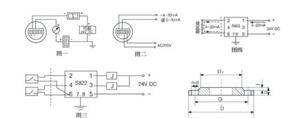
硫酸槽液位計系統構成及接線:
1、上下限開關輸出
由具有自保持作用的舌簧開關和轉換器組成,舌簧開關和轉換器分別安裝于現場和控制室,由轉換器提供三對觸點開關。
2、電遠傳
由測量單元和變送單元兩部分組成。
3、本安防爆
a 帶本安防爆,上、下限開關輸出型
防爆開關由舌簧開關和帶繼電器觸點的安全柵組成,可向用戶直接提供一對常開或常閉觸點。如用戶需更多觸點可特殊設計訂貨。(圖三)
b 帶本安防爆遠傳型
適合使用于∏類電氣設備(工廠用)、C級氣體,***高表面溫度組別T4(135℃)。(圖四)
c 使用注意事項
①變送器外殼設有外接地,用戶使用時必須可靠接地。
②安全柵的使用應遵守有關使用說明內容。
③變送器與安全柵本安端的連接電纜為二芯屏蔽電纜,芯線截面積>0.5m,電纜允許分布電容為0.8μF。

一、濃硫酸液位計襯里選擇區別:
不銹鋼內襯防腐型磁翻板液位計采用不銹鋼本體內襯聚丙烯(PP)和聚四氟乙烯(PTFE)工藝,有很高的結構強度和耐腐蝕性,可適用于鹽酸等酸性液體、堿性液體和有機溶劑。但不適合濃縮硝酸、含氯溶劑、芳香劑、脂肪族等介質液體的測量。側裝式內襯防腐磁翻板液位計有不銹鋼主體內襯聚四氟乙烯(PTFE)和不銹鋼內襯聚丙烯(PP)兩種,適合腐蝕性介質的測量。
側裝式內襯型磁翻板液位計(PTFE)適用于腐蝕性介質且工作溫度又較高場合的液位測量,采用先進的不銹鋼內襯聚四氟乙烯拉伸翻邊新工藝,結構可靠,使用壽命長。是硫酸等強腐蝕性介質液位測量的比較好的選擇。
側裝式內襯型磁翻板液位計(PP)適用于鹽酸、稀硫酸等無機類腐蝕性液體的測量,由于采用進口高強度可與金屬接近,尤其是PPR 獨特的保溫性,合該產品適用于室外水箱液位測量,遇冬季內部不會結冰.但不如襯PTFE型耐溫及耐壓性能好,溫度及壓力較低時選用此產品性價比較高。
二、濃硫酸液位計特點:
1、以浮子為測量元件,磁鋼驅動翻柱顯示,無需能源。
2、配上下限開關輸出,可實現遠距報警,限位控制。
3、配變送器可實現液位遠距報指示,檢測與控制。
三、濃硫酸液位計安裝與維護
1、液位計安裝必須垂直,以保證浮球組件在主體管內上下運動自如。
2、液位計主體周圍不容許有導磁體靠近否則直接影響液位計正確工作。
3、液位計安裝完畢后,需要用磁鋼進行校正對翻柱導引一次使零位以下顯示紅色,零位以上顯示白色。
4、液位計投入運行時應先打開下引液管閥門讓液體介質平穩進入主體管,避免液體介質帶著浮球組件急速上升,而造成翻柱轉失靈和亂翻。若發生此現象待液面平穩后可用磁鋼重新校正。
四、濃硫酸液位計基本技術參數:
1、量程范圍:300mm以上;
2、介質密度:≥0.4g/cm3;
3、介質粘度: ≤0.02Pa.S;
4、工作溫度:PP-40~80℃,PTFE-40~150℃;
5、壓力等級:≤32MPa;
6、測量精度:L=500~1000mm≤1.5%FS,L>1000mm≤1.0%FS;
7、安裝方式:側裝式、頂裝式;
8、防護等級:IP65;
9、防爆等級:ibⅡCT4(本安型)、dⅡBT4(隔爆型);
10、傳輸方式:4~20mA 或 開關量 ;
11、接液材質:PP、PTFE;
12、浮子材質:316L、PVC/UPVC/CPVC/PTFE/鈦等。
五,濃硫酸液位計用途與適用范圍:
|
類型 |
型號 |
適用范圍及用途 |
|
普通型 |
SURE-UHZ -P |
普通型浮子液位計是一種就地顯示儀表,廣泛應用于石油、化工、電力、輕工、環保等部門,對開口或承壓容器中的液位進行連續顯示。 |
|
防腐型 |
SURE-UHZ- F |
特別適合于具有腐蝕性、毒性的液位測量指示(工作壓力≤1.6MPa;測量范圍≤2m)。 |
|
伴熱型 |
SURE-UHZ- R |
適用于測量粘度比較大,溫度比較高或比較低的液體介質(該儀表需要使用伴熱裝置)。 |
|
高溫型 |
SURE-UHZ- T |
適用于容器壓力小于10Mpa、溫度在200℃~450℃之間的液體介質的液位連續測量。 |
|
高壓型 |
SURE-UHZ- Y |
適用于溫度為200℃以下、過程壓力高于10Mpa(20Mpa以下)的密閉容器內,測量液體介質的液位情況。 |
|
高溫高壓型 |
SURE-UHZ- H |
適用于溫度高于200℃、過程壓力高于10Mpa(20Mpa以下)的密閉容器內,測量液體介質的液位情況。 |
|
防爆型 |
SURE-UHZ -B |
適用于在易燃易爆環境里、需要電信號遠程傳輸的情況,該儀表帶4mA~20mA電流信號或上下限報警設定的液位變送器等電子裝置。 |
|
頂裝型 |
SURE-UHZ -D |
適用于各種地下流動介質儲罐,可在地面上顯示液位。不適合于強烈振動和強磁的工作場合(工作壓力≤1.6MPa;測量范圍≤2m)。
|
六,濃.硫酸液位計型號與說明:
|
SURE-UHZ |
廠家編號 |
|||||||||||||
|
|
代號 |
含義 |
T |
高溫型 |
基本類型 |
|||||||||
|
|
P |
普通型 |
Y |
高壓型 |
||||||||||
|
|
D |
頂裝型 |
H |
高溫高壓型 |
||||||||||
|
|
F |
防腐型 |
B |
防爆型(Bd為隔爆型、Bi為本安型) |
||||||||||
|
|
R |
伴熱型 |
|
|
||||||||||
|
|
代號 |
含義 |
4 |
4.0 |
過程壓力 (MPa) |
|||||||||
|
|
0 |
常壓 |
5 |
6.3 |
||||||||||
|
|
1 |
1.0 |
6 |
10.0 |
||||||||||
|
|
2 |
1.6 |
7 |
15.0 |
||||||||||
|
|
3 |
2.5 |
8 |
其他 |
||||||||||
|
|
代號 |
含義 |
4 |
0.75-0.9 |
介質密度 (g∕cm3) |
|||||||||
|
|
1 |
0.45-0.51 |
5 |
0.9-1.0 |
||||||||||
|
|
2 |
0.51-0.65 |
6 |
1.0-1.8 |
||||||||||
|
|
3 |
0.65-0.75 |
|
|
||||||||||
|
|
代號 |
含義 |
2 |
PVC/ UPVC |
主體材質 |
|||||||||
|
|
0 |
304 |
3 |
內襯F4(或PE) |
||||||||||
|
|
1 |
316/ 316L |
4 |
其他 |
||||||||||
|
|
0 |
翻柱現場顯示型 |
顯示方式 |
|||||||||||
|
|
1 |
變送輸出型 |
||||||||||||
|
|
2 |
翻柱附帶變送輸出型 |
||||||||||||
|
|
3 |
其他型 |
||||||||||||
|
|
0 |
無報警點 |
報警代號 |
|||||||||||
|
|
1 |
有一個報警點 |
||||||||||||
|
|
2 |
有兩個報警點 |
||||||||||||
|
|
3 |
其他 |
||||||||||||
|
|
X |
其他內容 如:量程(L) |
其他選項 |
|||||||||||
硫酸槽液位計結構及工作原理:
產品是以磁浮子為測量元件,根據浮力原理,磁浮子在測量管內隨液位的升降而上、下移動,磁浮子內的磁鋼通過耦合作用驅動紅、白色翻柱翻轉180°,液位上升時翻柱由白色轉為紅色,下降時由紅色轉為白色(翻柱顯示,無需能源),從而實現液位指示。
1、基本型
液位計根據浮力原理,浮子在測量管內隨液位的升降而上下移動,浮子內的磁鋼通過磁耦合作用,驅動紅、白色翻柱翻轉180’液位上升時,翻柱由白色轉為紅色,下降時,翻柱由紅色轉為白色,從而實現液位的指示。
2、帶上下限報警開關點磁翻板液位計
利用磁性浮子隨液位移動,使安裝在液位計立管設定位置上的簧片開關動作,實現開-關控制或報警。
3、4-20MA電遠傳
在磁性浮子液位計上安裝變送器。變送器由傳感器和轉換器兩部分組成,它通過磁浮子上下移動,經磁耦合作用使導管內測量元件依次動作,獲得電阻信號變化,傳喚成0~10或4~20mA的標準電流信號輸出,以便與數字顯示儀表或計算機聯接,實現遠傳顯示及控制。

