如何選擇化工電磁流量計,安裝故障處理詳解
【摘要】電磁流量計是化工生產中測量導電液體流量的實惠工具。本文對電磁流量計在安裝調試時應注意的問題進行探討,并介紹了電磁流量計在化工實際應用中遇到的故障及處理方法。

1.引言
流量是化工生產中重要的測定參數之一,而電磁流量計在化工應用中約占工業流量儀表總數的5%-6.5%,特別是2000年以來,這個數值仍有上升趨勢。在工業生產過程各種參數(如壓力、溫度、液位等)的測量中,以流量測量***為復雜,也是較難準確測量的參數。在數十種常用流量測量儀表中,電磁流量計因其本身的優勢和特點而處于重要的使用位置。就測量導電液體流量而言,不管目的是監控還是計量,電磁流量計都能做到測量穩定、可靠、精度高、易維護。
2.電磁流量計的工作原理和結構
電磁流量計的基本原理是法拉第電磁感應定律,即導體在磁場中切割磁力運動時在其兩端產生感應電動勢。如圖1所示,在EMF測量管內的導電介質相當于法拉第試驗中的導電金屬桿,上下兩端的兩個電磁線圈產生恒定磁場。當有導電介質流過時,則會產生感應電勢,由管道內部的兩個電極測量并引出感應電壓。測量管道通過不導電的內襯(橡膠,特氟隆等)實現流體與測量電極的電磁隔離。假設電磁感應線圈產生磁場強度B(T)為恒定,產生的感應電壓Ue(V)正比于流體平均速度(m/s),系數為k,測量管內徑L(m)為已知,則體積流量Qv(m3/s)可通過如下公式計算:
Uc=kBL (1.1)
Qv=L2/4-(L/4B)Ue (1.2)
EMF由流量傳感器和變送器兩大部分組成。傳感器測量管上下裝有勵磁線圈,通勵磁電流后產生磁場穿過測量管,一對電極裝在測量管內壁與液體相接觸,引出感應電勢,送到變送器。勵磁電流則由變送器提供。
變送器:圖1

傳感器:圖2
3.電磁流量計的性能
適用于電導率大于5μS/m的導電液體,介質的***高壓力為4Mpa,介質的溫度范圍為-60~180℃,具有測量精度高、量程比大(***大可達1000:1)、系統無壓力損失、附加功能多等特點。前后直管段為5D和2D。電磁流量計的傳感器***高防護等級可達IP68(潛水型),有普通型、隔爆型和本安型三類產品。電磁流量計可以在任意管道上安裝,但是電磁流量計測量電極的軸線必須保持水平方向,且與管道中心線互相垂直。電磁流量計的傳感器一定要安裝在不產生氣體的管道上,同時液體必須充滿管道。用于易粘附、沉積、結垢等介質時,流速要求應不低于2m/s,***好提高到3-4m/s或以上,起到自清洗、防止粘附沉積等作用。用于礦漿等磨蝕性強的流體,流速應低于2~3m/s,以降低襯里和電極的磨損。襯里、電極和接地環材料的選擇也很關鍵,受襯里材料和電極絕緣材料的溫度限制,不能測量較高溫度的液體。
4.電磁流量計的安裝
傳感器可安裝在任何位置,垂直水平也可傾斜,但安裝應保證測量管內任何時候都能充滿介質,不得有不滿管現象或者有大量氣泡能過傳感器(圖3)傳感器水平安裝時電極中心軸線盡量水平(圖4)。
對于液固兩相介質,***好是垂直安裝(圖5)。
傳感器應遠離大功率變頻器或強磁場源。外磁場強度<400mA(圖6)。
保證直管段長度(圖7)。
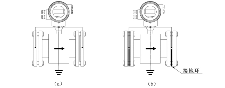
工藝管道密封橡膠墊接地法蘭應同心,不得相互錯位,避免產生漩渦流,影響流量信號(圖8)。
在傳感器臨近管道進行焊接或火焰切割時,要有隔離措施防止襯里受熱。
其他需要注意的安裝事項:
a.盡可能避免測量管內變成負壓;
b.選擇震動小的場所,特別對一體型儀表;
c.避免附近有大電機、大變壓器等,以免引起電磁場干擾;
d.易于實現傳感器單獨接地的場所;
e.盡可能避開周圍環境有高濃度腐蝕性氣體;
f.盡可能避免受陽光直照
5.電磁流量計實際應用故障的分析
5.1 故障現象
在某次調度值班中,發現在合成車間一個重要裝置內的一個電磁流量計的流量數值有時會出現大幅度跳動,特別是在開車的時候,從趨勢圖上看出流量波動很大,趨勢圖雜亂,已經無法正確辨讀現場實際流量值。
5.2 故障分析
安排技術人員進行故障排查。首先排除調度集控室到現場流量計之間的網絡波動及時鐘不同步問題,又對現場儀表安裝、電極、接地反復檢查,均無問題,一直查不出原因。一個偶然的機會,在混合罐內的攪拌器停運后發現流量數值穩定了,繼續檢查發現,此攪拌器是側壁安裝,且其位置距流量計管線出口位置僅1m。很顯然,是攪拌器槳葉所翻起的浪波改變了管道出口的阻力。流量計出口到容器壁的距離D1約1.5m,由于距離太短,攪拌浪波使管道出口壓力波動,從而使流量計出口流速不穩,使流量值產生跳動。之前安裝位置原理參見圖9。
電磁流量計安裝在位置A,其前后直管段長度及接地均符合要求,但因混合罐內的攪拌器是側壁安裝,所以實際攪拌器離電磁流量計距離較近,影響管道出口壓力,從而使電磁流量計流速出現較大波動。
5.3 更改方案
經過技術人員分析得出故障原因后,還是從安裝位置考慮,更換電磁流量計安裝位置。經過設計,將流量計從位置A移動到位置B,既符合流量計安裝要求,又避免了混合罐中攪拌器的影響,徹底解決了此次流量計流量值跳動故障。改動后安裝位置原理參見圖10。
5.4 其他故障
在實際應用中,還會遇到各種各樣電磁流量計的故障現象,如:指示與實際流量結果不一致、零點不穩定、無指示、液晶數字顯示連續降數等等現象。處理和預防方法除了保證電磁流量計的安裝要符合要求,使用過程中要愛惜維護,遇到故障時首先分析影響及干擾因素。當遇到非安裝因素造成的故障,可按一下基本步驟先排查:
a.檢查流量計管線閥門是否全部打開,管道是否充滿液體,流量計是否在接近流量范圍上限值流量下工作;
b.檢查儀表電源開關、保險絲等供電設施是否正常;檢查故障點是在電纜中或是在接收儀表中;
c.檢查轉換器的編號和儀表系數與傳感器是否正確;
d.檢查量程設定是否正確;
e.檢查流量計輸出連接是否正確及接地是否良好;
f.按轉換器部分規定內容檢查。
對外部環境的要求: a.流量計應避免安裝在溫度變化很大或受到設備高溫輻射的場所,若必須安 裝時須有隔熱、通風的措施。 b.流量計zui好安裝在室內,若必須安裝于室外,應避免雨水淋澆,積水受淹 及太陽曝曬,須有防潮和防曬措施。 c.流量計應避免安裝在含有腐蝕性氣體的環境中,必須安裝時,須有通風措 施。 d.為了安裝、維護、保養方便,在流量計周圍需有充裕的安裝空間。 e.流量計安裝場所應避免有強磁場及強振動源,如管道振動大,在流量計兩 邊應有固定管道的支座。
|
||||||||
|
||||||||
| ★直管段 | ||||||||
| 使用直管段可防止介質因彎管、TT型三通、截止閥、變徑管的影響而產生渦流或失真 | ||||||||
|
介紹:
| 測量原理是基于法拉第電磁感應定律。流量計的測量管是一內襯絕緣材料的非導磁合金短管。兩只電極沿管徑方向穿通管壁固定在測量管上。其電極頭與襯里內表面基本齊平。 勵磁線圈由雙向方波脈沖勵磁時,將在與測量管軸線垂直的方向上產生一磁通量密度為B的工作磁場。此時,如果具有一定電導率的流體流經測量管,將切割磁力線感應出電動勢E。 電動勢E正比于磁通量密度B、測量管內徑d與平均流速V的乘積,電動勢E(流量信號)由電極檢出并通過電纜送至轉換器。轉換器將流量信號放大處理后,可顯示流體流量,并能輸出脈沖,摸擬電流等信號,用于流量的控制和調節。 | ||
|
||
|
由E=KBdV可知,被測流體介質的溫度、壓力、電導率、液固兩相流體介質的液固成分比等參數不會影響測量結果。至于流動狀態只要符合軸對稱流動(如層流或紊流)就不會影響測量結果的。因此說電磁流量計是一種真正的體積流量計。對于制造廠和用戶來說,只要用普通的水實際標定后就可測量其他任何導電流體介質的體積流量,而不需作任何修正,這是電磁流量計的一突出優點,是其他任何流量計所沒有的。測量管內無活動及阻流部件,因此幾乎沒有壓力損失,并具有很高的可靠性。 技術參數: |
|
||||||||||||||||||||||||||||||||||||||||||||||||||||||||||||||||||||||||||||||||||||||||||||||||||||||||||||||||||||||||||||||||||||||||||||||||||||||||||||||||||||||||||||||||||||||||||||||||||||||||||||||||||||||||||||||||||||||||
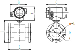
產品外形尺寸 |
||||||||||||||||||||||||||||||||||||||||||||||||||||||||||||||||||||||||||||||||||||||||||||||||||||||||||||||||||||||||||||||||||||||||||||||||||||||||||||||||||||||||||||||||||||||||||||||||||||||||||||||||||||||||||||||||||||||||
|
||||||||||||||||||||||||||||||||||||||||||||||||||||||||||||||||||||||||||||||||||||||||||||||||||||||||||||||||||||||||||||||||||||||||||||||||||||||||||||||||||||||||||||||||||||||||||||||||||||||||||||||||||||||||||||||||||||||||
|
||||||||||||||||||||||||||||||||||||||||||||||||||||||||||||||||||||||||||||||||||||||||||||||||||||||||||||||||||||||||||||||||||||||||||||||||||||||||||||||||||||||||||||||||||||||||||||||||||||||||||||||||||||||||||||||||||||||||
|
6.結束語
電磁流量計作為工業流量測量儀表的一種,對工業自動化的發展起著重要的作用。為了更好的發揮自動化儀表對工業自動化的支持和推動作用,自動化儀表專業人員在具備一定的專業知識的前提下,有必要在運用方面和維護方面掌握一定的技巧和注意事項,只有如此,才能滿足企業需求,才能更好的為企業發展。
