CAN總線遠程監測型智能渦輪流量計產品說明詳解
針對渦輪流量計的工作要求和CAN現場總線的應用狀況,介紹了以STC89C52RD單片機為核心,采用渦輪流量計、壓力和溫度傳感器及CAN總線控制器等構成的CAN總線型智能渦輪流量計的軟硬件設計。這種CAN總線型智能渦輪流量計能通過溫壓補償實現對氣體流量的準確測量與現場顯示,可方便地與CAN總線網絡進行掛接,實現基于CAN總線的遠程監測。
1、智能流量計硬件設計:
系統硬件可分為流量信號采集、壓力信號采集、溫度信號采集、CAN 通信接口、鍵盤與顯示等5 大模塊,見圖1。硬件電路以單片機STC89C52RD 為核心進行外部接口擴展設計。由于STC89C52RD 為增強型51 系列單片機,內部集成EEPROM、看門狗和電源監控復位電路等功能模塊,特別適合于工控領域應用 。

圖1 流量計硬件組成框圖
1.1、流量信號采集模塊:
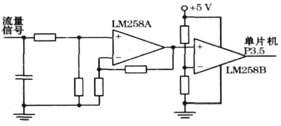
智能流量計采用渦輪流量計作為傳感檢測裝置,測量的為體積流量,輸出為與流速成正比的脈沖信號。此信號比較微弱,要與單片機進行接口實現流量信號的采集,必須要進行信號的處理與轉換。圖2 為流量信號檢測電路。渦輪流量計輸出的微弱電壓信號先進行低通濾波,去除干擾,再進行適當的放大,***后通過比較電路轉換成具有正負極性的方波信號送入單片機的P3. 5 (T1) 端,實現頻率計數,采集到流量信號。
為了獲取準確的質量流量,必須要在體積流量基礎上,實時進行氣體密度的測量,而要得到它就要對壓力與溫度進行實時測量,然后通過單片機計算處理得出氣體密度,實現溫壓補償功能。

圖2 流量檢測電路原理圖
1.2 、壓力信號采集模塊:
系統中壓力信號的檢測選用壓阻式半導體壓力傳感器,其接口為兩輸入端口和兩輸出端口,輸出信號為與壓力成比例的微小電壓。圖3 為壓力信號處理電路原理圖,恒流源LM334 為壓力傳感器提供恒定的電流。AD620 為差動式儀表放大器,具有高差模增益、高共模抑制比及低輸出漂移等特性,特別適合對壓力傳感器微小信號的放大處理,只需外部的電位器VR1 就可實現增益的調節。

圖3 壓力信號處理電路原理圖
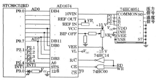
經過處理的信號必須進行A/ D 轉換才能送入單片機。圖4 為信號的采集接口電路,12 位的A/ D 轉換器AD1674 在單片機控制下,通過模擬開關的配合實現壓力和溫度信號的采集。

圖4 信號的采集接口電路原理圖
1.3 、溫度信號采集模塊:
溫度的測量采用Pt100 鉑電阻溫度傳感器,其信號檢測電路如圖5 所示,Pt100 兩端的電壓值是溫度的函數。LM334 對Pt100 和電位器VR2 提供恒定電流,LM258 實現Pt100 兩端的電壓取樣與放大,輸出的電壓送入儀表放大器AD620 進行差動放大,電位器VR3 實現增益的調節,輸出信號送入信號采集接口電路實現A/ D 轉換。

圖5 溫度信號檢測電路原理圖
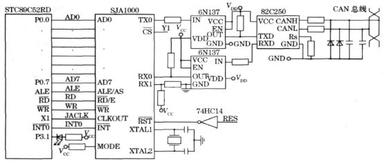
1.4 、CAN通信接口模塊:
CAN 通信接口硬件電路如圖6 所示。CAN 通信接口模塊使用CAN 總線控制器SJA1000 和驅動器PCA82C250。

圖6 CAN總線接口電路原理圖
為了保證SJA1000 與STC89C52RD 之間時鐘同步,SJA1000的可編程CLKOUT 時鐘輸出信號作為單片機的時鐘輸入。單片機通過控制SJA1000 實現數據的接收和發送等通信任務。高速光電耦合器6N137 為CAN 控制器與82C250 之間建立光電隔離,以實現總線上各節點間的電氣隔離。82C250 的CANH 和CANL 引腳各通過1 個5 Ω 電阻與CAN 總線相連,電阻可起到一定限流作用,保護82C250 免受過流沖擊。CANH 和CANL 與地之間并聯了2 個30 pF 的小電容,起到濾除總線上的高頻干擾和一定的防電磁輻射的能力。在2 根CAN 總線輸入與地之間分別接了一個防雷擊管,當兩輸入端與地之間出現瞬變干擾時,通過防雷擊管的放電可起到一定的保護作用[4 ] 。
1.5 、現場人機交互模塊:
現場人機交互模塊包括鍵盤輸入與LCD 顯示部分接口設計。鍵盤輸入模塊主要用于儀表和CAN 總線節點地址等系統參數的設置;LCD 顯示模塊主要用于現場各種測量數據的顯示。
2、智能流量計軟件設計:
智能流量計軟件設計采用了事件驅動和模塊化的編程思想,通過主程序對幾個關鍵標志位進行不斷查詢,根據具體情況調用相應的子程序,實現數據的采集、計算與通信的功能。主要的子程序為:初始化子程序用于對系統I/ O 口、定時/計數器、SJA1000 及液晶顯示等的初始化工作;定時器T0 中斷服務子程序用于對流量檢測信號進行頻率計數采集;A/ D 轉換子程序用于對AD1674 的控制實現壓力與溫度信號采集;計算子程序根據采集到的流量、壓力與溫度信號實現質量流量的實時計算功能;外部中斷0 服務子程序用于中斷接收CAN 網絡數據;數據傳送子程序實現流量等數據的CAN 網絡上傳。
3 、結束語:
以STC89C52RD 單片機為核心,用渦輪流量計、壓力和溫度傳感器、CAN 總線控制器等設計了CAN 總線型智能渦輪流量計。該流量計不僅能通過溫壓補償實現對現場氣體流量的準確計量與顯示,而且能方便地與CAN 總線網絡進行掛接,實現基于CAN 總線的遠程監測。這種CAN 總線型智能渦輪流量計的開發,適合工業生產測控領域的現狀,對CAN 現場總線的廣泛應用具有推動作用。
